| Choose Language: |
| Welcome, Guest. Please Login or Register |
|
|
| News: |
| Energia Alternativa Laboratory › SOLE, VENTO, ACQUA › Fotovoltaico › COME REALIZZARE UN SEMPLICE INVERTER |
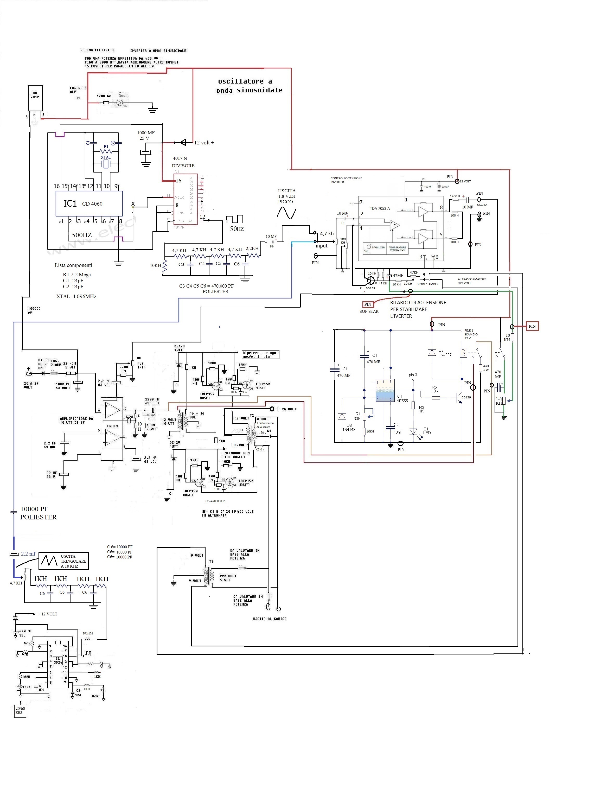
COME REALIZZARE UN SEMPLICE INVERTER (Read 652999 times)
|
Energia Alternativa Laboratory » Powered by YaBB 2.6.11!
YaBB Forum Software © 2000-2025. All Rights Reserved.



Pages: 
COME REALIZZARE UN SEMPLICE INVERTER (Read 652999 times)
